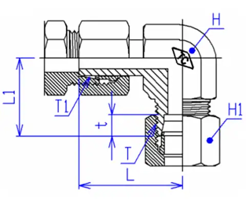
L型外径×鋼管コア(日本規格)
ホーム
(current)
会社概要
製品情報
最新ニュース
お問い合わせ
繁體中文
English
(0)
ホーム
製品情報
日本規格 - イートイン鋼管継手
タイプL(日本語)
L型外径×鋼管コア(日本規格)
L型外径×鋼管コア(日本規格)
★印の商品はオーダーメイドとなります。
シリアルナンバー
仕様
T
T1
L
L1
t
H
H1
外径×鋼管コア
(糸)
鋼管コア
TDV-06-L
6 x 6
M12-1.5
6
26.5
22
7
14
14
TDV-08-L
8 x 8
M14-1.5
8
26.5
22
7
14
17
TDV-10-L
10 x 10
M16-1.5
10
31
25
7
17
19
TDV-12-L
12 x 12
M18-1.5
12
31
25
7
17
22
TDV-15-L
15 x 15
M22-1.5
15
34
28
7.5
22
27
TDV-18-L
18 x 18
M26-1.5
18
37.5
32
8
24
32
⭑ TDV-20-L
20 x 20
M30-1.5
20
42
34
8
27
36
TDV-22-L
22 x 22
M30-1.5
22
42
34
9
27
36
⭑ TDV-25-L
25 x 25
M34-1.5
25
49
41
10
34
41
⭑ TDV-28-L
28 x 28
M38-1.5
28
61
46
10
41
46
お問い合わせに追加