Standpipe Branch tee Japanese size - Tube end / Standpipe
Home
(current)
About Us
Product
News
Contact
繁體中文
English
(0)
Home
Product
Bite type fittings Japanese size
Bite type pipe fittings tee Japanese size
Standpipe Branch tee Japanese size - Tube end / Standpipe
Standpipe Branch tee Japanese size - Tube end / Standpipe
Marked with 『 ★ 』 for customized products
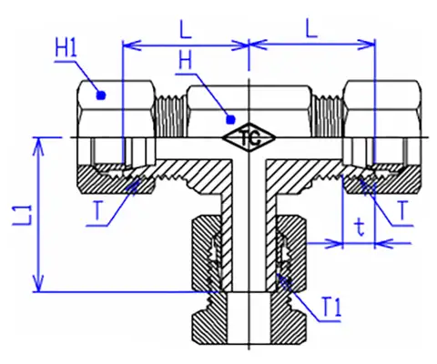
Item No.
Spec.
T
T1
L
L1
t
H
H1
O.D. x Standpipe x O.D.
(thread)
Standpipe
TDVD-06-T
6 x 6 x 6
M12-1.5
6
22
26
7
14
14
TDVD-08-T
8 x 8 x 8
M14-1.5
8
22
26
7
14
17
TDVD-10-T
10 x 10 x 10
M16-1.5
10
25
30
7
19
19
TDVD-12-T
12 x 12 x 12
M18-1.5
12
25
30
7
19
22
TDVD-15-T
15 x 15 x 15
M22-1.5
15
29
33
7.5
23
27
TDVD-18-T
18 x 18 x 18
M26-1.5
18
32
42.5
8
27
32
★TDVD-20-T
20 x 20 x 20
M30-1.5
20
37
47
8
34
36
★TDVD-22-T
22 x 22 x 22
M30-1.5
22
37
47
9
34
36
★TDVD-25-T
25 x 25 x 25
M34-1.5
25
39
47
10
34
41
Add to inquiry